


新芝阿弗斯專業研發、生產和銷售防爆高低溫一體機,控溫精度達±0.1℃,溫控范圍從-120℃到350℃,加熱功率從2.5kW到95kW,制冷功率從0.25kW到95kW等都有對應型號產品供應。本設備也被稱為防爆型制冷加熱控溫系統、高低溫防爆冷熱循環一體機等。主要用于配合反應釜或反應器中的需熱和放熱過程控制,能夠準確地線性控制釜內物料的溫度。支持程序控制模式,用戶可根據需要設定導熱介質與物料之間的溫差。此外,也可以獨立用于其他設備的加熱和冷卻。作為一種常用的實驗室儀器設備,其具備快速降溫和升溫的雙重功能。
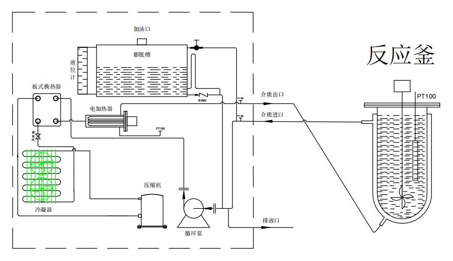
主要構件:高低溫冷熱循環一體機主要由電機、控制器、壓縮機、冷凝器、儲液罐、干燥過濾器、預冷換熱器、蒸發器等部件構成。
可選配件:
新芝阿弗斯可生產功率范圍從2.5kW到95kW的防爆高低溫一體機,以下是部分典型產品的技術規格,如需了解更多詳細參數信息,請您直接咨詢我們。
| 型號 | HL25-220 | HL150-220 | |
| 加熱功率 | 2.5kW | 15kW | |
| 制冷能力 | 200℃ | 2.5kW | 15kW |
| 100℃ | 2.5kW | 15kW | |
| 20℃ | 2.5kW | 15kW | |
| -5℃ | 2.0kW | 12kW | |
| -20℃ | 1.0kW | 7kW | |
| 循環泵 | 流量 | Max30L/min | Max110L/min |
| 壓力 | 1.5bar | 2.5bar | |
| 壓縮機 | 思科普 | 艾默生谷輪 | |
| 膨脹閥 | 丹佛斯 | 丹佛斯 | |
| 導熱介質接口尺寸 | DN15 | DN32 | |
| 20度冷卻水需求 | 流量 | 0.6m3/h | 2m3/h |
| 壓力 | 1.5bar~4bar | 1.5bar~4bar | |
| 冷卻水接口尺寸 | G1/2 | G1 | |
| 外形尺寸(mm) | 水冷 | 400*600*1150 | 700*800*1650 |
| 風冷 | 400*600*1250 | 750*750*1800 | |
| 重量 | 水冷 | 100kg | 280kg |
| 風冷 | 115kg | 300kg | |
| 電源電壓 | AC 220V 50Hz | AC 380V 50Hz | |
| 總功率 | 4kW(max) | 21kW(max) | |
1.擁有的工作溫度范圍廣泛,能夠實現制冷和加熱功能;
2.提供有效的生產穩定性和可重復性的結果;
3.采用高效的板式換熱器和管道式加熱器,顯著提升了制冷和加熱的速度;
4.能夠在非常寬泛的溫度范圍內操作,無需更換傳熱介質;
5.全封閉的系統設計,有效延長了導熱液體的使用壽命;
6.使用磁力驅動泵,消除了軸封泄漏的問題;
7.配備了先進的高溫降溫技術,能夠在300℃的條件下直接啟動壓縮機制冷進行降溫。
8.設備外觀精美、體積緊湊、結構布局合理,通過對內部元器件和外部附屬部件的合理配置,使得設備易于操作、散熱性能良好、制冷效率高且運行時噪音低。
1.采用全封閉的管道式設計,配備了高效的板式熱交換器,減少了對導熱介質的需求量且提高了系統的熱量利用率,實現了溫度的快速升降。
2.配備了高溫降溫技術,能夠在300℃的高溫狀態下直接啟動壓縮機制冷進行降溫。
3.膨脹容器中的導熱介質不參與循環,這有助于降低導熱介質在運行過程中吸收水分和揮發的風險。
4.即使在高溫條件下也沒有導熱介質蒸發出來,且無需加壓即可實現-80~190℃、-70~220℃、-88~170℃、-55~250℃、-30~300℃等溫度范圍內的連續控制。


高低溫防爆一體機廣泛應用于反應釜、反應器(微通道反應器、玻璃反應器和夾套反應器等)、蒸餾系統或萃取系統等多種反應裝置,用于實現制冷與加熱反應。這種設備可以在多個行業發揮重要作用,包括且不限于實驗室、大學、研究所、汽車制造、半導體和電子測試、制藥、石油化工、生物化學、研發車間以及航空航天等行業領域。
典型應用有:反應釜冷熱源動態恒溫控制、材料高低溫老化測試、真空室制冷加熱恒溫控制、小型恒溫控制系統、微通道反應器冷熱源恒溫控制、半導體設備冷卻加熱、組合化學冷熱源恒溫控制等。


高低溫冷熱循環一體機的工作原理基于泵驅動傳熱介質(通常是水或油)循環流動。這一過程始于內置加熱器的儲液罐,傳熱介質從這里被泵送到需要溫度控制的設備中,然后再返回到儲液罐。控制器會根據溫度傳感器檢測到的傳熱介質溫度或是被控設備內部的溫度來調整介質的溫度,進而實現對被控設備溫度的精確調節。

新芝阿弗斯高低溫一體循環機使用說明書PDF(右鍵另存為)
1.定期監測設備的壓力值,確保其處于正常范圍內,并檢查壓縮機的工作電流以及設備的整體絕緣電阻是否符合標準;
2.定期檢查電源線路和開關是否存在任何異常情況;
3.定期檢查壓縮機內的潤滑油量,如發現不足應及時補充或更換新的潤滑油;
4.定期進行濾油器的檢查、清洗,必要時及時更換;
5.冷凝器和蒸發器至少每兩年進行一次徹底的清潔工作。
| 防爆高低溫一體機常見故障原因及處理方法 | ||
| 故障 | 原因 | 處理 |
| 控制器故障 | 傳感器開路或短路 | 更換 |
| 控制器失靈 | 更換 | |
| 出現溫度報警值 | 專業人員檢修 | |
| 整機機組不工作 | 相序出錯 | 調節電源相序,更換相保護器 |
| 漏電 | 檢查漏電部件 | |
| 循環泵不工作 | 控制交流接觸器不吸合 | 檢查是否有控制信號輸出 檢查交流接觸器是否有故障 |
| 循環泵故障 | 檢修或更換 | |
| 不降溫 | 控制器有無信號輸出 | 檢查控制器 |
| 電磁交流接觸器故障 | 更換 | |
| 電磁閥故障 | 更換 | |
| 人接觸外殼有電現象 | 無接地或接地不良 | 禁止使用,重新安裝接地線 |
| 運行混亂 | 可能控制器損壞 | 更換 |
| 溫差過大故障 | 如蜂鳴器響起屏幕顯示故障(出現此代碼唯一的可能性是系統液體未加滿導致加熱管干燒),設備所有輸出自動停止(循環泵除外) | 打開紅色排氣閥門開啟循環,排氣完成再關閉排氣閥 |
寧波新芝阿弗斯恒溫設備有限公司是北交所上市公司“新芝生物”的控股子公司。專注于研發、生產和銷售高品質的工業控溫設備和制冷設備,可提供溫控場景一體化解決方案。
公司主要產品有高低溫控溫系統、加熱控溫系統、制冷控溫系統、超低溫冷凍機等,此外還提供定制化解決方案、安裝調試、維修保養及應用咨詢等全面的服務支持。目前公司品牌產品服務于電子、化工、醫藥等多個行業領域。




24小時服務熱線 18966201851